低壓除氧器溢流水封裝置,除氧器水封自補水溢水閥裝置,多級水封裝置,除氧器溢流管水封裝置,除氧器溢水閥裝置,除氧器水封。
除氧器是鍋爐給水回熱系統中不可或缺的設備之一,其主要作用是除去鍋爐給水中的氧氣和其它不凝結氣體,以保證給水的品質。除氧器由除氧頭和除氧水箱兩部分組成。除氧器水箱用以保證鍋爐有一定的給水儲備量,但是水位太高可能淹沒除氧頭,影響除氧效果。因此,除氧器就需要設置-種能將水位控制在一定高度的裝置以達到控制水位的目的。
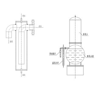
如圖2所示,溢流水封裝置的工作原理如下:
1)除氧器投入前,溢流水封裝置須注滿水,以使溢流水封裝置內跟除氧器溢流口相連的溢流管口被溢流水封裝置里的水封住,保證不與大氣相通。正常運行時除氧器在工作狀態下進行熱力除氧,當水箱水位升高超過溢流口到達溢流水封裝置動作值時,水封簡內的水被壓出,多余的水經溢流水封裝置的溢流管溢出,以保證水箱降至正常水位。
2)當除氧器內壓力升高能使水封裝置內的水溢出時,即水封裝置動作,先將水封裝置的溢流水封裝置內存水壓走,然后由此通道將超壓的蒸汽排出,起到防止除氧器超壓作用。有一根接在水封簡的除鹽水管,就是在水箱超壓動作后,恢復正常壓力時用的,由于水封簡里的水位因超壓被排走后,除氧器溢流口與大氣接通,會從水封筒的溢流管冒汽,此時就得通過此除鹽水管向水封簡里注水,以保證水封筒里水位,使其恢復正常水封作用,封住除氧器溢流口。另外,在初次啟動除氧器時,可往水封簡里注水,以助除氧器內減壓。
目前,廣泛采用溢流水封裝置來防止除氧器水位過高。溢流水封裝置的作用有:
(1)防止外界氣體進入除氧器;
(2)當除氧器內的液位高于高5安全水位時,多余的水可以通過溢流裝置排出;
(3)當除氧器內的蒸汽過多而使除氧器內部壓力超過正常工作壓力時,多余的蒸汽可以通過溢流裝置排出,使除氧器泄壓,防止除氧器因超壓發生危險。溢流水封裝置結構及安裝圖如圖
1、圖2所示。
三、防止除氧器水位過高的方法比較:
1.除氧水箱水位的上限可以利用除氧水箱水位出水調節系統進行控制,當除氧水箱水位上升到一定高度時,自動調節閥動作,排出除拿水箱內多余的水。這種控制水位上限的方法有以下幾種缺點:
(1)增加投資成本,除調節閥價格較高外,還需設置旁通管路閥門及調節閥前后關斷閥門;
(2)調節閥發生故障時需要檢修及更換閥門,增加了工作量,并增加了運行成本。
2.通過除氧器溢流管水封裝置控制除氧器水位上限的方法,具有以下優點:
(1)節約投資成本,此種方法不但省去了調節閥門及與調節閥門相關的幾個閥門,還可以節省除氧水箱的安全閥及放散管道;
(2)節約運行成本,如利用調節閥調節水位上限,需要定期檢修,而且調節閥有一定的使用年限,到達一定年限的時候需要更換閥門。
(3)具有一定可靠性,當除氧水箱水位到達除氧水箱溢流管管底時,水就會通過溢流水封排至排水管道,而且外部氣體不能進入除氧水箱。
(4)通過調節溢流水封內水位高度,控制除氧器內壓力。除氧器內氣體一旦高于水封高度時,氣體將沖破水封排入大氣,降低了除氧器的危險性。
四、結論:
因此,除氧器溢流水封裝置被廣泛應用于鍋爐給水回熱系統中,保證了除氧器的正常運行,從而給鍋爐的正常運行提供必要的保證。